¿Qué es un esquema eléctrico fotovoltaico?
El esquema eléctrico fotovoltaico es la representación gráfica de todos los elementos eléctricos que componen una instalación solar fotovoltaica y de las conexiones existentes entre ellos. Incluye:
- Paneles solares: Los módulos fotovoltaicos transforman la radiación solar en corriente continua (CC). Se conectan en serie y/o en paralelo formando strings, según la tensión y potencia requeridas por el inversor.
- Inversor fotovoltaico: El inversor convierte la corriente continua generada por los paneles en corriente alterna (CA), compatible con la red eléctrica y con los consumos de la vivienda o industria.
- Cuadros eléctricos de protección: El cuadro de campo protege y recoge las conexiones de los paneles, mientras que el cuadro de cadena organiza las cadenas de módulos, integrando dispositivos de protección como interruptores y descargadores de sobretensión.
- Contadores y monitorización: Los contadores miden la energía producida y consumida, mientras que los sistemas de monitorización permiten controlar de forma remota el rendimiento y el estado de funcionamiento de la instalación.
| 📌 Importancia en el diseño del sistema |
| El esquema eléctrico constituye el núcleo técnico del proyecto fotovoltaico. Proporciona a los instaladores la información necesaria para realizar un montaje correcto y seguro, minimizando errores y riesgos eléctricos. Además, es un documento exigido por las compañías distribuidoras, las administraciones autonómicas y, en determinados casos, por los organismos de control autorizados (OCA). |
Tipos de esquemas eléctricos fotovoltaicos
| Esquema monofásico | Esquema trifásico | Esquema con acumulación (baterías) | Instalación conectada a red vs aislada |
| Habitual en instalaciones residenciales de hasta 5–6 kW. El inversor se conecta a una sola fase del suministro eléctrico. Es el sistema más sencillo y el más común en viviendas unifamiliares. | Utilizado en viviendas con mayor potencia contratada, comunidades de propietarios, comercios e industrias. Permite repartir la potencia de forma equilibrada entre las tres fases, mejorando la estabilidad eléctrica. | En un sistema con acumulación se incorporan baterías, conectadas mediante un inversor híbrido o un sistema independiente (acoplamiento CA o CC), que permiten almacenar la energía sobrante para usarla por la noche o en apagones. | Las instalaciones conectadas a red inyectan los excedentes a la red eléctrica, mientras que las instalaciones aisladas no tienen conexión y dependen de baterías y sistemas de respaldo. |
Normativa y reglamentos
Reglamento Electrotécnico de Baja Tensión (REBT)
Las instalaciones fotovoltaicas deben cumplir el Real Decreto 842/2002, prestando especial atención a la ITC-BT-40, que regula las instalaciones generadoras en baja tensión, así como a las ITC-BT-19, BT-23 y BT-24, que establecen los requisitos sobre protecciones, conductores y puesta a tierra. El esquema eléctrico debe reflejar todas las protecciones exigidas por el REBT.
Real Decreto 244/2019 – Autoconsumo
El Real Decreto 244/2019 regula el autoconsumo eléctrico en España, incluyendo las modalidades con y sin excedentes, la compensación simplificada y los requisitos administrativos y de conexión. Aunque no es una norma de diseño eléctrico, condiciona la estructura del esquema y la forma en que se conecta la instalación a la red.
Normas UNE y UNE-EN
Las normas UNE complementan al REBT y son una referencia técnica habitual, incluyendo la UNE-HD 60364-7-712 para instalaciones fotovoltaicas, la UNE-EN 62446 para documentación, puesta en marcha y mantenimiento, y la UNE-EN 50618 relativa a los cables fotovoltaicos.
Cómo interpretar un esquema
Símbolos y conexiones
Cada símbolo del esquema representa un componente. Por ejemplo:
- Un rectángulo con flecha = panel solar
- Triángulo con barra = inversor
- Líneas discontinuas = conexiones de señal
- Líneas continuas = conexiones eléctricas
La interpretación correcta es fundamental para realizar la instalación sin errores.
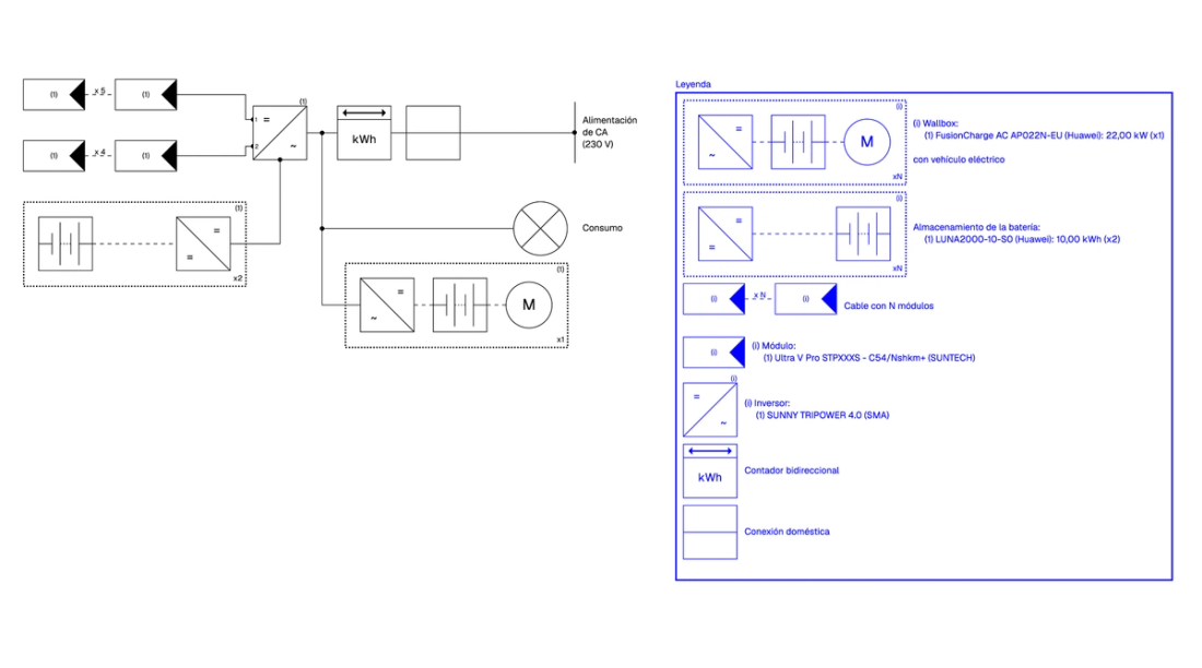
Ejemplo práctico

El esquema corresponde a una instalación fotovoltaica residencial de autoconsumo en la que se integran generación solar, almacenamiento de energía y conexión a red. Los principales elementos y su funcionamiento se describen a continuación:
- Dos cadenas de módulos (5 y 4 paneles)
- Inversor trifásico
- Sistema de baterías de 20 kWh
- Contador bidireccional
- Consumos de vivienda y cargador de vehículo eléctrico de 22 kW
- Protecciones, puesta a tierra y monitorización integradas
Aspectos económicos relacionados con el diseño del esquema
Coste de los materiales eléctricos
El esquema eléctrico determina la cantidad y calidad de los componentes necesarios para la instalación, como los cuadros eléctricos, seccionadores, interruptores, cableado y canalizaciones. Un esquema bien diseñado permite optimizar los costes sin comprometer la seguridad ni el cumplimiento de la normativa vigente.
Coste de la mano de obra especializada
La elaboración del esquema debe confiarse a un proyectista o técnico eléctrico cualificado, especialmente cuando la instalación se conectará a la red pública. Los costes de mano de obra varían en función de la complejidad y potencia del sistema, así como de la necesidad de integración de protecciones y sistemas de monitorización.
Herramientas para el diseño del esquema
Software CAD y herramientas específicas
Para diseñar el esquema eléctrico fotovoltaico se utilizan programas CAD como: AutoCAD Electrical, SPAC, EPLAN, PV*SOL y PVsyst (para diseños fotovoltaicos + eléctricos). Estas herramientas permiten crear esquemas detallados con símbolos estándar y simulaciones de rendimiento.
Recursos gratuitos y plantillas en línea
También existen herramientas gratuitas como QElectroTech o Fritzing, útiles para proyectos simplificados. Algunos fabricantes de inversores, como Fronius, Huawei o SMA, proporcionan esquemas eléctricos ya preparados para sus dispositivos, disponibles en sus portales técnicos.
Errores comunes en el diseño del esquema eléctrico fotovoltaico
❌ Conexiones incorrectas
Los errores en las conexiones entre las cadenas (strings) de paneles fotovoltaicos o entre el inversor y el cuadro eléctrico general pueden provocar fallos de funcionamiento, disparos intempestivos de protecciones o daños en los equipos.
Es fundamental:
- Comprobar la polaridad correcta en todos los circuitos de corriente continua (DC).
- Respetar los esquemas de conexión y límites eléctricos indicados por el fabricante del inversor.
- Verificar el correcto cableado entre los cuadros de protección DC, el inversor y el cuadro de alterna (AC).
❌ Dimensionamiento incorrecto
Un dimensionamiento incorrecto de los cables, las protecciones o los interruptores puede generar sobrecalentamientos, caídas de tensión excesivas y pérdidas de energía, además de incumplir el Reglamento Electrotécnico de Baja Tensión (REBT).
El esquema eléctrico debe incluir toda la información necesaria para:
- Dimensionar correctamente las secciones de los conductores según intensidad, longitud y método de instalación.
- Seleccionar protecciones adecuadas a la corriente nominal y a la corriente de cortocircuito.
- Garantizar el cumplimiento de las ITC del REBT y de las normas UNE aplicables.
❌ Falta de protecciones
Con frecuencia se descuidan elementos de protección obligatorios en instalaciones fotovoltaicas, tales como:
- SPD (protección contra sobretensiones) en corriente continua (DC) y/o alterna (AC), según corresponda.
- Interruptores magnetotérmicos, necesarios para la protección frente a sobrecargas y cortocircuitos.
- Dispositivos de interfaz y protección de red, exigidos para la desconexión automática de la instalación en caso de fallo de la red eléctrica.
Esquemas eléctricos para instalaciones industriales y sistemas híbridos
Conexión de las baterías
Las baterías pueden conectarse en CC o CA, según el tipo de inversor. En sistemas con inversores híbridos, la producción solar, el almacenamiento y la conexión a red se gestionan de forma conjunta.
El esquema debe incluir protecciones (fusibles y seccionadores), sistemas de control de carga cuando aplique y monitorización del estado de las baterías.
Funcionamiento del sistema híbrido
El sistema híbrido permite:
- Cargar las baterías durante el día con la producción solar.
- Suministrar energía a la vivienda cuando no hay sol.
- Inyectar en la red el exceso de energía no almacenada.
Todos estos flujos deben reflejarse en el esquema eléctrico, garantizando una visión clara de la operación del sistema.
Instalación industrial y seguridad
En instalaciones industriales, normalmente superiores a 20 kW, se trabaja con sistemas trifásicos, protecciones para altas corrientes e inversores centralizados o modulares. La correcta representación de relés de control de fase, seccionadores y equipos de medida es clave para una instalación segura y fiable.
Mantenimiento y actualización del esquema
Verificación periódica de la integridad
Se recomienda comprobar periódicamente que el esquema esté actualizado y se corresponda con la instalación existente, especialmente después de modificaciones o sustituciones. Esta verificación es importante para garantizar la seguridad eléctrica, el cumplimiento del REBT y para posibles inspecciones por parte de la distribuidora o de un Organismo de Control Autorizado (OCA).
Actualizaciones en caso de modificaciones en la instalación
Cualquier intervención que modifique la estructura del sistema (adición de paneles, sustitución del inversor, instalación de baterías) requiere la actualización del esquema eléctrico. El esquema eléctrico debe actualizarse tras cualquier cambio en la instalación, conservarse junto al certificado eléctrico y estar disponible si lo solicita la distribuidora, una OCA o la administración autonómica.
FAQ: Preguntas frecuentes
1. ¿Es obligatorio por ley disponer del esquema?
Sí, todas las instalaciones conectadas a la red deben contar con un esquema eléctrico firmado por un técnico habilitado y conservarse junto al certificado de la instalación.
2. ¿Puede hacerlo un electricista no habilitado?
No, solo un profesional cualificado puede redactar un esquema eléctrico conforme, especialmente si debe presentarse a la distribuidora o para certificación por una OCA.
3. ¿Cómo se actualiza en caso de modificación de la instalación?
Cada modificación —cómo añadir paneles, sustituir inversores o instalar baterías— requiere actualizar el esquema eléctrico y, si procede, realizar una nueva solicitud de conexión.
4. ¿Es diferente si se utiliza una batería?
Sí, el esquema cambia notablemente. Debe incluir las baterías, el tipo de conexión (acoplamiento en CA o CC) y los dispositivos de protección adicionales necesarios.
5. ¿Existen riesgos si el esquema es incorrecto?
Sí. Un esquema incorrecto puede provocar cortocircuitos, daños a personas y equipos, y el rechazo de la conexión por parte de la distribuidora.
6. ¿Cuál es el software más utilizado para diseñarlo?
Entre los más empleados están AutoCAD Electrical, SPAC y EPLAN. Para esquemas simplificados, QElectroTech es también muy popular.
Conclusión
El esquema eléctrico fotovoltaico es una herramienta esencial para el diseño, la ejecución y el mantenimiento de una instalación solar. Permite comprender la estructura del sistema, sus componentes y los flujos de energía, ayudando a reducir errores y a facilitar futuras modificaciones.
Herramientas como Reonic permiten generar esquemas eléctricos de forma automática a partir del diseño técnico, ofreciendo un apoyo práctico para el instalador en la fase de planificación y presentación del proyecto.








